Intelligenz in der Petrischale Hirnzellen auf Chip erlernen Videospiel "Pong"
12.10.2022, 17:35 Uhr
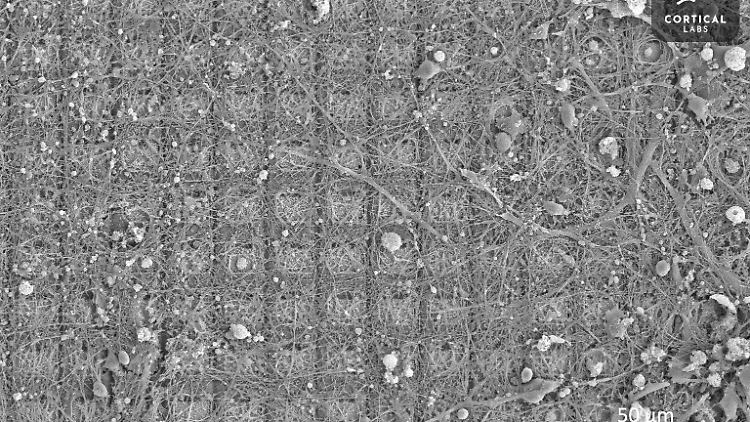
Blick durchs Elektronenmikroskop: Nervenzellen wuchern auf dem Chip.
(Foto: Cortical Labs)
Es klingt nach Science-Fiction: Forschende züchten im Labor eine Mischung aus Elektronik-Bauteil und Hirnzellen. Das Erstaunliche ist, dass ihre Erfindung so etwas wie Intelligenz aufweist. Bereits nach wenigen Minuten lernen die Zellen, ein simples Computerspiel zu beherrschen.
Auf einem Chip gezüchtete Nervenzellen können den Videospielklassiker "Pong" spielen. Das berichtet ein australisches Forscherteam im Fachmagazin "Neuron". Die Experimente seien ein Beweis dafür, dass selbst Gehirnzellen in einer Petrischale eine innewohnende Intelligenz aufwiesen, indem sie ihr Verhalten im Laufe der Zeit änderten. Als Nächstes wollen die Wissenschaftler und Wissenschaftlerinnen die Neuronen betrunken machen.
Das Grundprinzip des Videospiels "Pong", einer sehr groben Simulation eines Tennismatches, dürfte vielen Menschen bekannt sein: Ein Pixel-Ball prallt innerhalb eines Spielfeldes gegen die Wände und muss mithilfe eines an einer Seite auf- und abwärts bewegbaren Balkens zurückgespielt werden. Bei dem kurzen Clip einer Partie, den das australische Biotech-Startup "Cortical Labs" veröffentlicht hat, sitzt allerdings kein Mensch am Controller: Der Schläger - der bewegliche Balken - wird von einem Haufen in Petrischalen gezüchteter Neuronen gesteuert.
Die Wissenschaftler um Brett Kagan von "Cortical Labs" haben ihre Erfindung Dishbrain getauft: Die Dishbrains enthalten etwa 800.000 lebende Neuronen, die entweder von embryonalen Mäusegehirnen stammten oder aus menschlichen Stammzellen von Spendern gezüchtet wurden. Die Forschenden ließen die Neuronen auf einem Chip mit einem sogenannten Mikroelektrodenarray (MEA) wachsen, welches die Zellen sowohl stimulieren als auch ihre Aktivität messen kann.
Intelligenz der Zellen nutzen

Erstautor Brett Kagan (l.): "Wir haben gezeigt, dass wir mit lebenden biologischen Neuronen so interagieren können, dass sie ihre Aktivität verändern, was zu etwas führt, das Intelligenz ähnelt."
(Foto: Cortical Labs)
Sie schlossen die Nervenzellen so an einen Computer an, dass sie ein Feedback dazu erhielten, ob der Schläger den Ball getroffen hat. "Von Würmern über Fliegen bis hin zu Menschen sind Neuronen der Grundstein für allgemeine Intelligenz", erklärt Kagan: "Die Frage war also, ob wir mit Neuronen so interagieren können, dass wir diese inhärente Intelligenz nutzen können."
Das Ergebnis der "Pong"-Experimente scheint diese Frage zu bejahen: So feuerten die Wissenschaftler Elektronen auf der linken oder rechten Seite der Platine ab, um Dishbrain mitzuteilen, auf welcher Seite sich der Ball befindet, während die Entfernung zum Schläger durch die Frequenz der Signale angezeigt wurde. Durch die Rückmeldung der Elektroden lernte Dishbrain, wie es den Ball zurückspielen konnte, indem es die Zellen dazu brachte, sich so zu verhalten, als wären sie selbst der Schläger.
Den Forschern zufolge erfassten die Mini-Gehirne das Spielprinzip sehr schnell: Sie hätten dafür nur fünf Minuten gebraucht und seien mit der Zeit immer geschickter geworden. "Wir haben gezeigt, dass wir mit lebenden biologischen Neuronen so interagieren können, dass sie ihre Aktivität verändern, was zu etwas führt, das Intelligenz ähnelt", fasst Kagan zusammen.
Zellen wollen Umgebung kontrollieren
Das Lernen der Neuronen führen die Forscher auf eine Theorie zurück, die auf dem Prinzip der freien Energie beruht: Vereinfacht besage jenes, dass Zellen auf dieser Ebene versuchten, die Unvorhersehbarkeit ihrer Umgebung zu minimieren. "Ein unvorhersehbarer Reiz wurde auf die Zellen angewendet und das System als Ganzes reorganisierte seine Aktivität, um das Spiel besser zu spielen und eine zufällige Reaktion zu minimieren", beschreibt Kagan.
"Bemerkenswerterweise haben die Zellkulturen gelernt, ihre Welt vorhersehbarer zu machen, indem sie auf sie einwirken", ergänzt Mitautor Karl Friston vom University College London, der das Prinzip der freien Energie entwickelt hat: "Das ist bedeutsam, weil man diese Art der Selbstorganisation nicht lehren kann, einfach, weil diese Mini-Gehirne - anders als ein Haustier - keinen Sinn für Belohnung und Bestrafung haben."
Der "schöne und bahnbrechende" Aspekt dieser Arbeit bestehe darin, die Neuronen mit Empfindungen - dem Feedback - auszustatten und vor allem mit der Fähigkeit, auf ihre Welt einzuwirken, so Friston weiter. Das Prinzip könne in Zukunft womöglich genutzt werden, um etwa die Auswirkungen von Medikamenten zu testen. Auf lange Sicht könnte eine Alternative zu Tierversuchen geschaffen werden.
"Wir machen sie betrunken"
Als Nächstes wollen Kagan und sein Team testen, welchen Effekt Alkohol auf Dishbrain hat. "Wir versuchen, eine Dosis-Wirkungs-Kurve mit Ethanol zu erstellen: Wir machen sie im Grunde genommen 'betrunken' und sehen, ob sie das Spiel schlechter spielen - genau wie Menschen, wenn sie trinken", erläutert Kagan. Das eröffne möglicherweise neue Erkenntnisse zu den Vorgängen im Gehirn.
Dass Dishbrain zunächst an Science-Fiction erinnert, scheint den Autoren durchaus bewusst, nichtsdestotrotz sind sie von der Bedeutung ihrer Erfindung überzeugt. So schreiben sie gleich zu Beginn der Studie: "Die Nutzung der Rechenleistung lebender Neuronen zur Schaffung einer synthetischen biologischen Intelligenz (SBI), die bisher nur im Bereich der Science-Fiction angesiedelt war, könnte nun in greifbare Nähe des menschlichen Erfindungsgeistes rücken."
Quelle: ntv.de, Alice Lanzke, dpa